您當前位置:首頁 > 產品中心 > 無級變速機
詳細介紹:
東莞臺機減速機臥式UDL無級變速機是通過摩擦傳動來扭矩的,滑潤油兼起牽引與潤滑的雙重作用。因此,正確的選擇潤滑油使用摩擦機構得到良好的牽引和潤滑是至關重要。DL無級變速機采用飛濺潤滑,因此在啟動機械器運行前檢查油液容量是極為重要的,油位必須在油觀察高度2/3以上。

臥式UDL無級變速機可與各種減速機結合,實現低速無級變速。它可廣泛應用于食品,陶瓷,包裝,化工,制藥,塑料,造紙,機床,交通以及各種需調速的自動生產線,輸送線,裝配流水線,是您機器上理想的伙伴。
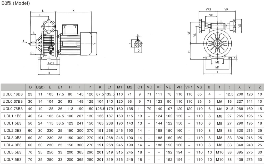
如下是臥式UDL無級變速機的安裝尺寸:

臥式UDL無級變速機特點:1、變速范圍大:變速比均為1:5;2、調速精度高:調速精度為1--0.5轉;3、同軸結構:輸入軸和輸出軸同向旋轉;4、可連續工作運轉,并可正反方向運轉;5、在允許負載的情況下,可以恒定的調定轉速;6、性能穩定、強度高,耐用,安全可靠、調速極為簡單方便;7、全機密封,可適用于潮濕、多塵、有輕度腐蝕性的工作環境;8、高強度:在加沖擊負載或機器逆轉時,本機性能可靠,能精確轉動;9、機體結構緊湊,占安裝空間小,采用優質品鋁合金壓鑄成型,永不生銹;10、組合能力強:可與各種類型減速機組合,實現低轉速,大扭矩的變速效果;

如下是臥式UDL無級變速機的安裝尺寸:



















